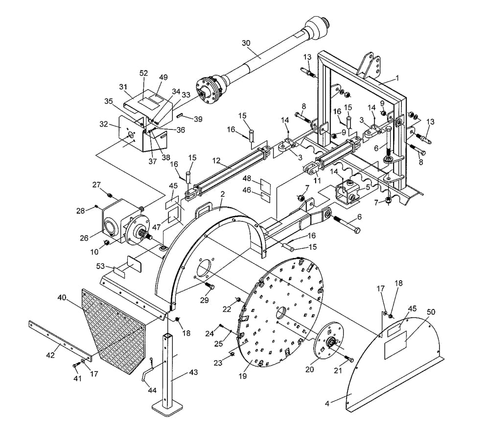
SG-36A Stump Grinder Parts List
SG-36A Stump Grinder Parts List

Ref. #
Part #
Description
# Req.
1
812201
3 Pt. Yoke Weldment
1
2
812216
Housing Weldment
1
3
812225
Cylinder Pivot Lug
2
4
811560
Wheel Guard Weldment
1
5
812220
Cross Weldment (Knuckle)
1
6
2503236
Bolt 1"-8NC x 9" Hex Head Gr.5
2
7
2500045
Nut 1"-8NC Hex Nylock
2
8
2503087
Bolt 3/4"-10NC x 5" Hex Head Gr.5
2
9
2500037
Nut 3/4"-10NC Hex Nylock
2
10
2500084
Nut 3/4"-10NC Vibration Proof
4
11
2504265
Hydraulic Cylinder 2 1/2 x 10
1
12
2504263
Hydraulic Cylinder 2 x 24
1
13
590078
Draw Pin (AK-2118)
2
14
2504049
Drive Zerk 5/16"
4
15
863070
Cylinder Pin ∅1"
4
16
2504121
Cotter Pin 3/16" x 1 1/2"
4
17
2501003
Washer 1/2" Flat
11
18
2500040
Nut 1/2"-13NC Whiz Flange Hex
11
19
811616
Grinder Wheel Weldment (SG-36)
1
20
811610
Hub Weldment
1
21
2503088
Bolt 5/8"-11NC x 2 1/2" Hex Head Gr.5
9
22
2500083
Nut 5/8"-11NC Vibration Proof
9
23
811534
Carbide Tooth
42
24
2503061
Bolt 3/8"-16NC x 1" Hex Head Gr.8
42
25
2502008
Washer 3/8" Springlock
42
26
811572
Gearbox Assembly w/Plugs
1
27
2504072
Breather Plug 1/2"NPT
1
28
2504222
Pipe Plug 1/4"NPT Square Head
1
29
2503085
Bolt 3/4"-10NC x 2 1/2" Hex Head Gr.5
4
30
650280
PTO Assembly
1
650329
PTO Half (Implement End)
1
650328
PTO Half (Tractor End)
1
31
811540
Lid, Shield
1
32
811520
PTO Shield Weldment
1
33
2503011
Bolt 3/8"-16NC x 1" Hex Head Gr.2
2
34
2501004
Washer 3/8" Flat
2
35
2500042
Nut 3/8"-16NC Hex Nylock
2
36
2503304
Bolt M8 x 16mm Hex Head
4
37
2501012
Washer 5/16" Flat
4
38
2502011
Washer 5/16" Springlock
4
39
811559
Edging Strip 2"
2
40
811571
Rubber Guard
1
41
2503007
Bolt 1/2"-13NC x 2" Hex Head Gr.2
5
42
811548
Guard Retainer Strap
1
43
811557
Stand Weldment
1
44
343180
Hitch Pin 1/2" x 3" w/Clip
1
45
101027
Safety Sign-Warning (Stand Clear)
2
46
101101
Safety Sign-Warning (540 RPM)
1
47
101103
Safety Sign-Danger (Keep Away)
1
48
101122
Safety Sign-Warning (Hi-Pressure)
1
49
101186
Safety Sign-Warning (Shields)
1
50
101206
Safety Sign-Danger (Debris)
1
51
101219
Safety Sign-Warning (Valve)
1
52
101201
Safety Sign-Warning (Manual)
1
53
101209
Safety Sign-Red Reflector
1